Гидрораспределители ПГ73-11(М), ПГ73-12(М)
Линейка гидрораспределителей ПГ73-1 включает стандартное исполнение и вариант с монтажом на плиту (с буквой М). Различия между этими исполнениями касаются технических параметров, габаритных размеров и конструктивного исполнения.
Гидрораспределители ПГ73-11М представляют собой золотниковые распределители с электромагнитным управлением, предназначенные для применения в промышленных гидравлических системах. Они управляют направлением потока рабочей жидкости в соответствии со стандартами ГОСТ 24679-81. Типичные области применения включают гидравлические приводы станков, прессов и аналогичного оборудования. Благодаря возможности использования в качестве пилотов, данные гидрораспределители могут интегрироваться в электрогидравлические системы управления. Конструктивно ПГ73-11М представляет собой гидрораспределитель ВЕ6 (ВЕ10) установленный на переходную плиту В6-73-11 (В10-73-12) и является прямой заменой для ранее выпускаемых распределителей заводом "Хидравлика" (Болгария).
Структура условного обозначения ПГ73-1М
1 |
2 |
3 |
4 |
5 |
6 | . |
7 |
54 |
Б |
П |
Г73-1 |
1 |
М |
Г24 |
1 |
Схема распределения потока |
Для исполнения на плите: 14, 24, 34, 44, 54, 64 - четырехлинейные распределители Для стандартного исполнения : 14, 24, 34, 44, 54, 64 - четырехлинейные распределители |
2 |
Число электромагнитов |
Без индекса - 2 электромагнита |
3 |
Присоединение |
П - Стыковое |
4 |
Обозначение по классификатору станкостроения |
Г73-1 - Гидрораспределитель реверсивный с электроуправлением |
5 |
Условный проход |
1 – 8 мм |
6 |
Модификация |
Без обозначения – стандартное исполнение М - Исполнение на плите |
7 |
Напряжение |
Переменный ток: |
Технические характеристики ПГ73-1М
Модель |
ПГ73-11 |
ПГ73-12 |
Условный проход, мм |
8 |
10 |
Давление нагнетания, кгс/см2 |
315 |
315 |
Давление на сливе, кгс/см2 , не более |
160 |
160 |
Расход, л/мин: - с электромагнитом постоянного тока |
80 |
120 |
Время срабатывания при номинальном режиме, мин. - с электромагнитом постоянного тока |
35 |
35 |
Допустимые внутренние утечки при номинальном давлении, см3 /мин |
80 |
80 |
Номинальное напряжение питания, В - постоянного тока | 12, 24, 48, 110, 220, |
|
Устройство и принцип работы ПГ73-1М

Гидрораспределитель ПГ73-1 состоит из: корпуса (1), двух электромагнитов (2) (каналы А и В), золотника (3), возвратных пружин (4) и плиты (7). В спокойном состоянии золотник (3) удерживается пружиной (4). Когда вы подаете питание на электромагнит (2), он перемещает золотник (3) через толкатель (5), направляя поток жидкости от P к A и от B к T, или от P к B и от A к T. Электромагниты ввёртного типа работают в масле – это необходимо для их долгой службы и надежной работы. После отключения питания золотник (3) возвращается в исходное положение пружиной (4). При необходимости, золотник (3) можно перемещать вручную, без электромагнитов, используя ручное дублирование (6).
Схемы распределения потоков рабочей жидкости ПГ73-1М
Схема | Условные графические обозначения распределителей | Соединение каналов при среднем положении золотника |
|
Четырехлинейные |
Пятилинейные |
||
1 |
![]() 14ПГ73-1 |
Обе полости цилиндра и напорная линия соединены со сливом |
|
2 |
![]() 24ПГ73-1 |
Обе полости цилиндра соединены с напорной линией, слив заперт |
|
3 |
![]() 34ПГ73-1 |
Обе полости цилиндра соединены со сливом, нагнетательная линия заперта |
|
4 |
![]() 44ПГ73-1 |
![]() 45ПГ73-1 |
Обе полости цилиндра, нагнетательная линия и слив заперты |
5 |
![]() 54ПГ73-1 |
![]() 55ПГ73-1 |
Среднего положения нет |
5А |
![]() 54БПГ73-1 |
![]() 55БПГ73-1 |
Среднего положения нет |
6 |
![]() 64ПГ73-1 |
Обе полости цилиндра заперты, нагнетательная линия соединена со сливом |
|
Таблица замен ПГ73-1М
14ПГ73-11М |
14ПГ73-11 |
ВЕ6.14 + плита В6-73-11 |
24ПГ73-11М |
24ПГ73-11 |
ВЕ6.24 + плита В6-73-11 |
34ПГ73-11М |
34ПГ73-11 |
ВЕ6.34 + плита В6-73-11 |
44ПГ73-11М |
44ПГ73-11 |
ВЕ6.44 + плита В6-73-11 |
45ПГ73-11М |
45ПГ73-11 |
ВЕ6.44 + плита В6-73-11 |
54ПГ73-11М |
54ПГ73-11 |
ВЕ6.574А.ОФ + плита В6-73-11 |
54БПГ73-11М |
54БПГ73-11 |
ВЕ6.574А + плита В6-73-11 |
64ПГ73-11М |
64ПГ73-11 |
ВЕ6.64 + плита В6-73-11 |
14ПГ73-12М |
14ПГ73-12 |
ВЕ10.14 + плита В10-73-12 |
24ПГ73-12М |
24ПГ73-12 |
ВЕ10.24 + плита В10-73-12 |
34ПГ73-12М |
34ПГ73-12 |
ВЕ10.34 + плита В10-73-12 |
44ПГ73-12М |
44ПГ73-12 |
ВЕ10.44 + плита В10-73-12 |
45ПГ73-12М |
45ПГ73-12 |
ВЕ10.44 + плита В10-73-12 |
54ПГ73-12М |
54ПГ73-12 |
ВЕ10.574А.ОФ + плита В10-73-12 |
54БПГ73-12М |
54БПГ73-12 |
ВЕ10.574А + плита В10-73-12 |
64ПГ73-12М |
64ПГ73-12 |
ВЕ10.64 + плита В10-73-12 |
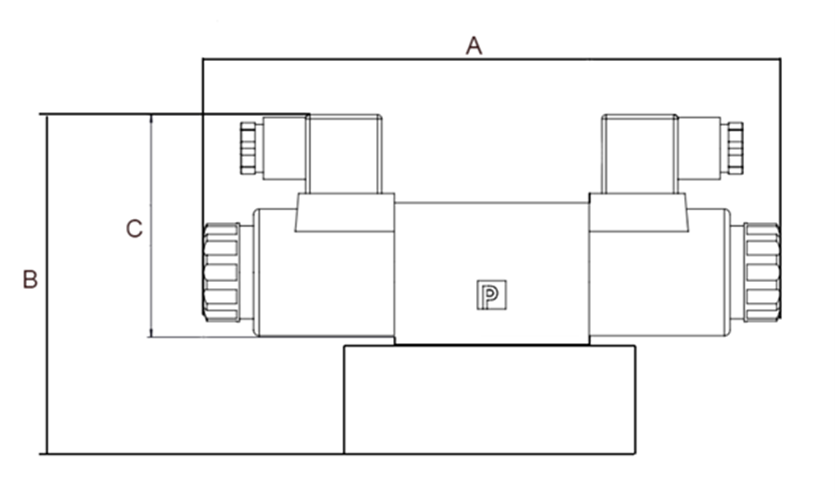
Габаритные и присоединительные размеры ПГ73-1М (Исполнение на плите)
Модель |
A |
B |
C |
ПГ73-11 |
208 |
120,5 |
82,5 |
ПГ73-12 |
291 |
143,4 |
95 |

Рис. 1. Размеры гидрораспределителей серии ПГ73-1, с двухсторонним электромагнитным управлением
Модель |
B |
C |
D |
БПГ73-11 |
120,5 |
82,5 |
138,5 |
БПГ73-12 |
152 |
95 |
195,6 |

Рис. 2. Размеры гидрораспределителей серии ПГ73-1, с односторонним электромагнитным управлением

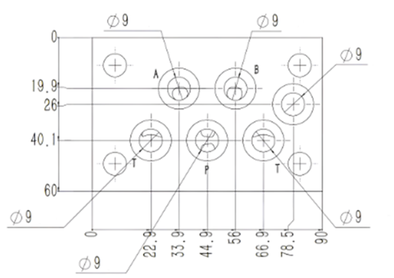
Рис. 3. Монтажная поверхность гидрораспределителей, ПГ73-11, БПГ73-1










































