Москвы и РФ
безналичный расчет
Регуляторы давления с манометром - ERH40-04 G1/2 (QTYH-15 G1/2) предназначены для поддержания давления сжатого воздуха на заданном уровне. Регуляторы давления воздуха диафрагментального типа со сбросом избыточного давления из вторичной магистрали через мембрану. Оснащены сбалансированным клапаном сброса, который обеспечивает более точное поддержание выходного давления при колебании входного давления и расхода сжатого воздуха в пневмосистеме. При монтаже манометра на устройство обязательно использовать герметик, например фум ленту. Взаимозаменяем с M40-1/2-R00 Camozzi, QTYH-15.
Основные технические характеристики:
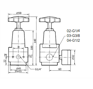
Схема:

| Модель | ERH-02 | ERH-03 | ERH-04 | ERH-06 | ERH-10 |
| Рабочая среда | Сжатый отчищенный воздух | ||||
| Диапазон регулировки давления | 0,05…3,5 МПа | ||||
| Макс. Давлении на входе | 4 МПа | ||||
| Рабочая температура | -25…+80 °С | ||||
| Присоединительные размеры | G1/4 | G3/8 | G1/2 | G3/4 | G1 |
Габаритные и присоединительные размеры:

Приобрести регулятор давления ERH40-04 можно прямо на сайте MGP. За подробной информацией обращаться по телефону +7 (495) 797-07-74, +7 (903) 797-07-74.