В любую точку
Москвы и РФ
Москвы и РФ
Оплата
Наличный и
безналичный расчет
безналичный расчет
Гарантии
Один год
+7 903 797-07-74
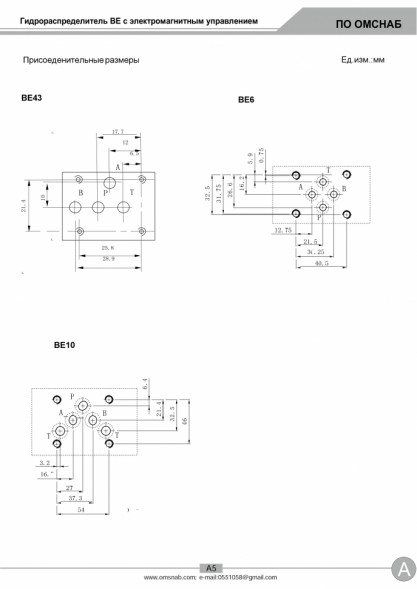
| МОДЕЛЬ | ВЕ43 | ВЕ6 | ВЕ10 |
| Условный проход, мм | 4 | 6 | 10 |
| Макс.поток рабочей жидкости, л/мин | 14 | 80 | 100 |
| Давление номинальное на входе, кгс/см2 / МПа Отверстия: P-A-B | 250/25 | 320/32 | 320/32 |
| Максимальное давление на сливе, МПа Отверстия: Т | 6 | 16 | 16 |
| ВЕС кг. 1магнит | 1 | 1.5 | 4.8 |
| ВЕС кг. 2магнита | 1.4 | 2.2 | 6.1 |

Схемы для распределения потока жидкости для гидрораспределителя ВЕ43
