Москвы и РФ
безналичный расчет
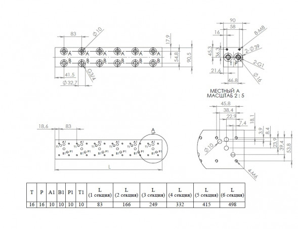
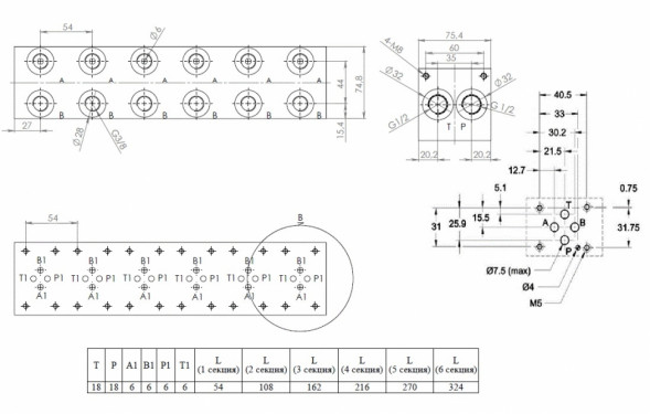
Компанией ПО ОМСНАБ поставляются гидравлические плиты многоместная для монтажа гидрораспределителей с
условным проходом 6 мм, 10 мм, 16 мм, 20 мм. Данные плиты являются универсальными и могут применяться
как для отечественного, так и для импортного оборудования.
Z является резьба NPT, это коническая
G является BSP резьба, это цилиндрическая
Резьба трубная коническая, R (BSP)Трубная коническая резьба, применяемая в конических резьбовых соединениях,а также в соединениях наружной конической резьбы с внутренней цилиндрической резьбой по ГОСТ 6357-81. Основана на резьбе BSW (англ. British Standard Whitworth) и совместима с резьбой BSP (англ. British standard pipe tapered thread), именуемаяBSPT (уплотнение достигается за счет смятия резьбы в месте резьбового соединения при ввёртывании штуцера).
Дюймовая резьба с конусностью 1:16 (угол конуса ?=3°34'48"). Угол профиля при вершине 55°.
Условное обозначение: буква R для наружной резьбы и Rc для внутренней (ГОСТ 6211-81. Основные нормы взаимозаменяемости. Резьба трубная коническая.), числовое значение номинального диаметра резьбы в дюймах (inch), буквы LH для левой резьбы. Например, резьба с номинальным диаметром 1 1/4 - обозначается как R 1 1/4.
Обозначение размера резьбы, шаги и номинальные значения наружного, среднего и внутреннего диаметров резьбы трубной конической (R), мм
Гидравлическая монтажная плита CETOP 03 (03P*G) Ду-6 для 4WE6, ВЕ6, 1Р6 и т.д.

Гидравлическая монтажная плита CETOP 05 (05P*G) Ду-10 для 4WE10, ВЕ10, 1Р10 и т.д.

