Зеленоград, 2-й Западный пр-д 2, стр 3.
Написать в
WhatsApp
Написать в
Telegram
Каталог товаров
Каталог товаров
89037970774@mail.ru

DCB-B160-500-F(L) Шестерёнчатый насос (овальный)

К сравнению
В избранное
DCB-B160-500-F(L) Шестерёнчатый насос (овальный)
DCB-B160-500-F(L) Шестерёнчатый насос (овальный)
DCB-B160-500-F(L) Шестерёнчатый насос (овальный)
DCB-B160-500-F(L) Шестерёнчатый насос (овальный)
Насос DCB-B160-500-F(L) Шестерёнчатый усовершенствован овальный
Предзаказ
0
11

Быстрая доставка

  • Отправка со склада в Москве
  • Доставка по всей России и СНГ
  • Отправка заказов на следующий день
  • Доставка экспресс СДЭК

Оплата

  • По счету для юр.лиц
  • Через СБП
Описание

Описание


Насос DCB-B160-500-F(L) Шестерёнчатый усовершенствован овальный , вход и выход становятся более гладким и с меньшим сопротивлением, низкий коэффициент износа, удобный и легкий в монтаже. Насос имеет свои особенности: низкий уровень шума, увеличенная подача, высокая производительность. Насос широко используется в деревообрабатывающем оборудовании, производства фанеры, оборудовании для резинотехнической промышленности, в нефтеперерабатывающей отрасли , а также в гидравлических и масляных станциях с давлением ниже 2.5Mpa и даже использоваться в качестве водяного насоса после антикоррозийной обработки.



Технические характеристики

Модельподача, л/миндавление, Мпачастота вращения, об/минКПД насоса, %общий КПД агрегата, %Потребляемая мощность привода, кВт
DCB-B160-F(L) 1602,51450>90>80 8,2
DCB-B200-F(L) 200 10,1
DCB-B250-F(L) 250 13
DCB-B300-F(L) 300 15
DCB-B350-F(L) 350 17
DCB-B400-F(L) 400 20
DCB-B500-F(L) 500 24



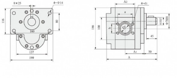
Габаритные и присоединительные размеры


Модель A A1 A2 D1 a b d1
DCB-B160-F(L) 186 73 56 Ф 35 39 44.3 M 8
DCB-B200-F(L) 200 80 70 Ф 40 44 . 5 46 M 8
DCB-B250-F(L) 218 89 88 Ф 50 66 . 4 41 M 8
DCB-B300-F(L) 235 97.5 105 Ф 50 68 . 7 41 M 8
DCB-B350-F(L) 253 106.5 1 23 Ф 50 65 76 M 8
DCB-B400-F(L) 270 1 1 5 140 Ф 50 65 76 M 8
DCB-B500-F(L) 306 1 33 1 76 Ф 50 65 76 M 8