Москвы и РФ
безналичный расчет
| МОДЕЛЬ | ВЕ43 | ВЕ6 | ВЕ10 |
| Условный проход, мм | 4 | 6 | 10 |
| Макс.поток рабочей жидкости, л/мин | 14 | 80 | 100 |
| Давление номинальное на входе, кгс/см2 / МПа Отверстия: P-A-B | 250/25 | 320/32 | 320/32 |
| Максимальное давление на сливе, МПа Отверстия: Т | 6 | 16 | 16 |
| ВЕС кг. 1магнит | 1 | 1.5 | 4.8 |
| ВЕС кг. 2магнита | 1.4 | 2.2 | 6.1 |
Принцип работы распределителей ВЕ10 с одним электромагнитам

Гидрораспределители состоят из корпуса (1), золотника управления (3) одного или двух электромагнитов (2) с возвратными пружинами (4). У четырёхлинейного двупозиционного (4/2) ВЕ10.574А, ВЕ10.574, ВЕ10.574Е, ВЕ10.573, ВЕ10.573Е гидрорапрседелителя нет центральной позиции золотника. Для перемещения золотника в рабочее положение (a) и (b) подаётся ток соответственно на электромагниты "a" , при этом сердечник электромагнита воздействует на управляющий золотник (3) через толкатель (5). В результате открываются каналы для прохождения потока и устанавливаются соответствующие связи между каналами A, B, P, T. А для возврата в положение (а) необходимо просто не подавать напряжение на электромагнит «а» тогда под действием пружины 4 золотник (3) вернется в исходное положение.
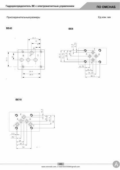
Присоединительные и габаритные размеры в мм. ВЕ10 с одним электромагнитам

Схемы для распределения потока жидкости для гидрораспределителя ВЕ10 с одним электромагнитам
