Москвы и РФ
безналичный расчет
Манометры гидравлические PG 63 B наполнены силиконовой жидкостью и могут применяться в климатических условиях ХЛ1 по ГОСТ 15150-69. Это позволяет использовать их в самых суровых условиях и при температуре окружающей среды от -50 до +60°С. Манометры типа PG 63 В идут в радиальном исполнении. Данный товар подходит для сложных и ответственных гидравлических трубопроводов, в которых управления осуществляется посредствам гидрораспределителей и гидроклапанов.
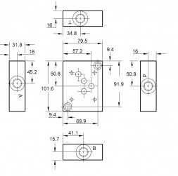
Габаритные и присоединительные размеры манометр PG-63 B
Резьба присоединения G1/4 или M12×1,5
G – означает резьба трубная цилиндрическая

Серия PG-63
Серия давление шкалы
PG-063-1/4 40 bar/мПа,
PG-063-1/4 60 bar/мПа,
PG-063-1/4 100 bar/мПа,
PG-063-1/4 160 bar/мПа,
PG-063-1/4 250 bar/мПа,
PG-063-1/4 315 bar/мПа,
PG-063-1/4 400 bar/мПа.
Приобрести манометры гидравлические PG 63 B можно прямо на сайте MGP. За подробной информацией обращаться по телефону +7 (495) 797-07-74, +7 (903) 797-07-74.