Москвы и РФ
безналичный расчет
Z является резьба NPT, это коническая
G является BSP резьба, это цилиндрическая
Резьба трубная коническая, R (BSP)Трубная коническая резьба, применяемая в конических резьбовых соединениях,а также в соединениях наружной конической резьбы с внутренней цилиндрической резьбой по ГОСТ 6357-81. Основана на резьбе BSW (англ. British Standard Whitworth) и совместима с резьбой BSP (англ. British standard pipe tapered thread), именуемаяBSPT (уплотнение достигается за счет смятия резьбы в месте резьбового соединения при ввёртывании штуцера).
Дюймовая резьба с конусностью 1:16 (угол конуса ?=3°34'48"). Угол профиля при вершине 55°.
Условное обозначение: буква R для наружной резьбы и Rc для внутренней (ГОСТ 6211-81. Основные нормы взаимозаменяемости. Резьба трубная коническая.), числовое значение номинального диаметра резьбы в дюймах (inch), буквы LH для левой резьбы. Например, резьба с номинальным диаметром 1 1/4 - обозначается как R 1 1/4.
Обозначение размера резьбы, шаги и номинальные значения наружного, среднего и внутреннего диаметров резьбы трубной конической (R), мм
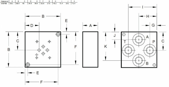
Плиты код D03SPS8G-1/2 - Ду-6 в бок
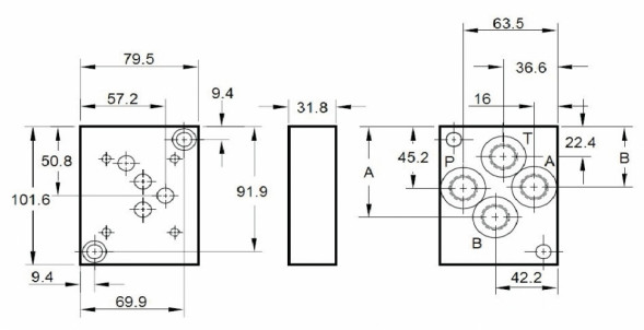
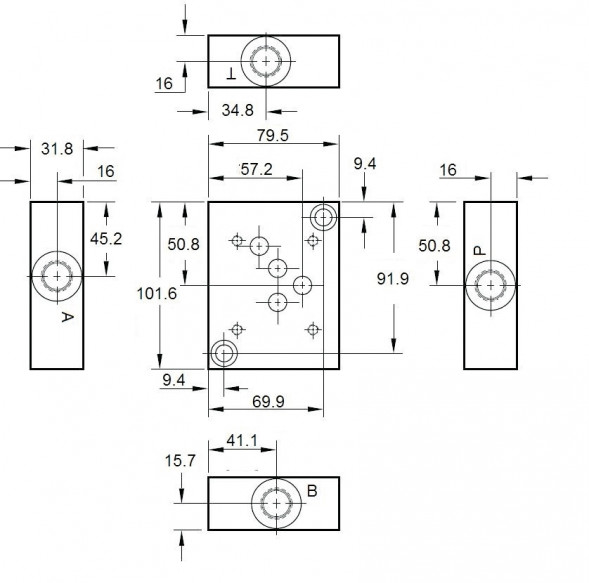
Плиты код D03SPB8G-1/2 - Ду-6 в низ

Плиты код D05SPS8G-1/2 - Ду-10 в бок
Плиты код D05SPB8G-1/2 - Ду-10 в низ

Плиты код D07SPS12G-3/4 - Ду-16 в бок
Плиты код D07SPB12G-3/4 - Ду-16 в низ
