В любую точку
Москвы и РФ
Москвы и РФ
Оплата
Наличный и
безналичный расчет
безналичный расчет
Гарантии
Один год
+7 903 797-07-74
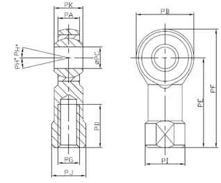
Наконечник шарнирный B 80/100 M20X1.5 предназначен для пневмоцилиндров серии SC. Для выполнения пневмоцилиндром различных задач существует широкий выбор креплений. Среди них выделяют те, которые крепятся с помощью резьбового соединения к штоку, передней и задней крышке цилиндра. Также есть крепеж, который охватывает гильзу цилиндра и скользит по шпилькам, стягивающим его крышки. Взаимозаменяемы с PHSA-80, PHSA-100, 80PHS, 100PHS.
Габаритные и присоединительные размеры:

| Диаметр поршня | |||||||||
| Обозначение | 25/32 | 40 | 50 | 63 | 80 | 100 | 125 | 160 | 200 |
| PA | 11 | 12 | 15 | 15 | 18 | 18 | 25 | 28 | 28 |
| PB | 26 | 32 | 40 | 40 | 46 | 46 | 70 | 80 | 80 |
| PC | 10 | 12 | 16 | 16 | 20 | 20 | 30 | 35 | 35 |
| PD | 20 | 24 | 28 | 28 | 35 | 35 | 51 | 56 | 56 |
| PE | 43 | 50 | 64 | 64 | 77 | 77 | 110 | 125 | 125 |
| PF | 56 | 65 | 84 | 84 | 100 | 100 | 145 | 165 | 165 |
| PG | M10x1.25 | M12x1.25 | M16x1.5 | M16x1.5 | M20x1.5 | M20x1.5 | M27x2 | M36x2 | M36x2 |
| PH | 13 | 13 | 15 | 15 | 15 | 15 | 07.май | 6 | 6 |
| PL | 19 | 22 | 27 | 27 | 34 | 34 | 45 | 55 | 55 |
| PJ | 17 | 19 | 22 | 22 | 30 | 30 | 41 | 50 | 50 |
| PK | 14 | 16 | 21 | 21 | 25 | 25 | 37 | 43 | 43 |
Приобрести наконечник шарнирный B 80/100 M20X1.5 можно прямо на сайте MGP. За подробной информацией обращаться по телефону +7 (495) 797-07-74, +7 (903) 797-07-74.